
單呼閥(HXF-V型) 防爆阻火單呼閥(HXF-VZ型)
Relief Valve Relief Valve with Flame Arresting

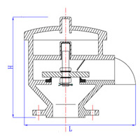
阻火單呼閥“設備材質” Materials of construction:
NO | 1 | 2 | 3 | 4 | 5 | 6 |
構件 Component | 殼體 Body | 閥桿 Stem Guide | 閥盤 Pressure Disk | 閥座 Pressure Seat | 墊片 Gasket | 阻火芯件 Fire Arresting |
材質 Material | 不銹鋼 Steel 鋁合金 Aluminums 碳鋼 Casting | 304 316 316L PTFE | 304 316 316L PTFE | 304 316 316L PTFE | 304 316 316L PTFE | 304 316 316L PTFE |
注:連接標準:HG 、GB、 ANSI、 JIS、 DIN等等.
Standard Connection:HG、GB、ANSI、JIS、DIN、ect.
操作壓力:-295pa-+98000pa (-30mmH2O——+10000mmH2O)
Operating Pressure:-295pa-+98000pa (-30mmH2O——+10000mmH2O)
阻火單呼閥“尺寸表” Dimension table:
DN | 25 | 32 | 40 | 50 | 80 | 100 | 150 | 200 | 250 | 300 |
L | 240 | 260 | 290 | 290 | 420 | 420 | 535 | 700 | 835 | 950 |
H | 270 | 290 | 320 | 320 | 470 | 470 | 540 | 620 | 700 | 780 |
阻火單呼閥“訂貨須知” Order Construction:
1、訂貨時請注明產品尺寸、操作壓力及材質。
Please give clear indication of Dimension,operating pressure and material.
2、當需要其他標準法蘭、材質或操作壓力時請在訂貨時注明。
Please give clear indication of flange,material and operating pressure if you need other standard.
返回:呼吸閥系列
核電站控制閥抗地震構造的改善剖析
2017-05-11如何檢查阻火呼吸閥分享一些經驗
2016-08-01阻火呼吸閥:尺寸,型號,原理,作用,價格,你熟悉多少?
2015-08-18工業發展及水處理需要全天候呼吸閥
2014-08-06卓澤環保:管道呼吸閥需要達到的技術要求
2015-08-10全天候阻火呼吸閥之GFQ-2型技術參數
2014-09-22呼吸人孔與呼吸閥搭配使用的價值
2015-01-15呼吸閥具體是做什么用的?
2014-08-06儲油罐產生的負壓太危險,呼吸閥可確保安全
2019-12-30氣閥有著特別的品質及優秀的特性
2014-08-06